Binabago ng Threaded Flange ang pipeline connectivity sa pamamagitan ng pag-aalok ng secure, weld-free na solusyon para sa pagsali sa mga threaded pipe, na ginagawa itong pinakapangunahing pagpipilian para sa mga kapaligiran kung saan ang kaligtasan at kakayahang umangkop ay hindi mapag-usapan. Inengineered na may precision internal threading, ang flange na ito ay walang putol na sumasama sa mga galvanized steel pipe o system kung saan ipinagbabawal ang welding—gaya ng nasusunog, sumasabog, o napakasensitibong mga setting ng industriya. Ang makabagong disenyo nito ay nag-aalis ng mga panganib sa sunog na nauugnay sa welding, na tinitiyak ang pagsunod sa mahigpit na mga protocol sa kaligtasan habang naghahatid ng isang matatag, leak-proof na selyo na lumalaban sa mataas na presyon. Ang sinulid na koneksyon ay nagbibigay-daan sa mabilis na pag-install at pag-disassembly, na nagbibigay ng kapangyarihan sa mga maintenance team na mag-troubleshoot o mag-upgrade ng mga system nang walang espesyal na kagamitan, binabawasan ang downtime sa mga kritikal na operasyon tulad ng pagpoproseso ng kemikal, pamamahagi ng langis at gas, o produksyon ng pharmaceutical.
| Sukat | DN15(1/2”)-DN600(24”) |
| Rating ng Presyon | 0.6- 4.0MPa |
| Saklaw ng Temperatura | -45 ℃ hanggang 260 ℃ |
| Sertipiko | PED,AD2000,EAC, ABS,BV, DNV,NORSOK M650, ISO9001,ISO14001,ISO45001, atbp. |
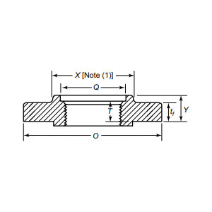
| Panimula ng function | Ang sinulid na flange ay kumokonekta sa sinulid na tubo sa pamamagitan ng panloob na thread ng tubo, na inaalis ang hinang. Tamang-tama para sa galvanized steel pipe o restricted welding environment (nasusunog/paputok). Nagtatampok ng madaling pag-install at flexible na pagpapanatili, partikular na angkop para sa haluang metal na bakal at iba pang mga materyales na may mahinang weldability. |
| Mga patlang ng aplikasyon | Naaangkop sa mga koneksyon ng pipe flange sa malayuang mga pipeline ng langis at gas, mga platform sa malayo sa pampang, kagamitang kemikal, mga sistema ng paggamot sa tubig, at mga industriya ng pagkain at parmasyutiko, na inangkop sa mga kumplikadong kondisyon sa pagtatrabaho. |
| Pag-iimpake | Seaworthy package, Plywood Cases o papag o ayon sa pangangailangan ng mga customer |
| Mga Tampok na Produkto | 1, Maliit na batch na minimum na order; |
Tamang-tama para sa mga materyales na madaling kapitan ng mga hamon sa welding-tulad ng alloy steel-pinapanatili ng Thread Flange ang integridad ng materyal, iniiwasan ang brittleness o distortion na dulot ng init. Ang konstruksyon na lumalaban sa kaagnasan nito, na available sa carbon steel o stainless steel, ay nagsisiguro ng mahabang buhay kahit sa malupit na kapaligiran, mula sa mga offshore drilling platform hanggang sa food-grade sanitation system. Sinusuportahan ng mahigpit na pagsunod sa mga pandaigdigang pamantayan, ginagarantiyahan ng flange na ito ang pagiging maaasahan sa mga high-stakes na application, kabilang ang mga hydraulic system, cryogenic pipeline, at mga nasusunog na likido na paglilipat. Para sa mga industriya na inuuna ang kaligtasan, kahusayan, at cost-effective na maintenance, ang Threaded Flange ay isang transformative na solusyon. Itaas ang iyong imprastraktura ngayon gamit ang aming premium na Thread Flanges-kung saan ang inobasyon ay nakakatugon sa hindi kompromiso na kaligtasan, na nagbibigay-daan sa iyong mga system na gumana nang walang kamali-mali sa mga pinaka-hinihingi na kondisyon. Pumili ng kumpiyansa, pumili ng tibay, at muling tukuyin ang potensyal ng iyong pipeline.
Mula sa hilaw na materyal hanggang sa huling paghahatid, pinapanatili namin ang mahigpit na kontrol sa bawat yugto upang matiyak ang tibay, pagganap, at pagkakapare-pareho.
01
02
03
04
05
06
07
08
09
10
11
12
