Binabago ng Socket Welding Flange ang mga high-pressure na koneksyon sa pipeline sa pamamagitan ng pagsasama ng superyor na lakas sa tuluy-tuloy na dynamics ng likido, na ginawa upang makapaghatid ng walang kaparis na pagganap sa mga compact at high-stakes na application. Dinisenyo para sa maliliit na diameter na mga tubo, ang flange na ito ay gumagamit ng socket welding configuration na sumasaklaw sa weld joint sa loob mismo ng flange, na inaalis ang mga panlabas na weld protrusions at pinapaliit ang flow resistance—isang kritikal na bentahe sa mga system kung saan ang pagbabawas ng turbulence at kalinisan ay pinakamahalaga. Ang nakatagong weld ay hindi lamang nag-streamline ng paglilinis at pag-inspeksyon sa mga sterile na kapaligiran tulad ng mga planta ng parmasyutiko o pagpoproseso ng pagkain ngunit pinahuhusay din ang integridad ng istruktura, lumalaban sa vibration at mga pagtaas ng presyon sa mga refinery ng langis at gas, mga chemical reactor, o high-pressure na mga linya ng singaw. Precision-machined mula sa forged carbon steel o stainless steel, pinagsasama nito ang corrosion resistance na may pambihirang tensile strength, tinitiyak ang leak-proof sealing kahit na sa ilalim ng matinding temperatura at pressure.
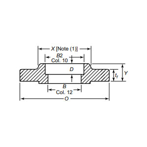
| Saklaw ng diameter | DN15(1/2")-DN150(6") |
| Rating ng presyon | 1.6-16MPa |
| Sertipiko | PED, AD2000, EAC, ABS, BV, DNV, NORSOK M650, ISO9001, ISO14001, ISO45001, atbp. |
| Panimula ng function | Koneksyon ng socket welding, Binabawasan ng nakatagong disenyo ng weld ang flow resistance, Na-optimize para sa mga application na may mataas na presyon ng maliit na diameter, Superior na pagganap ng sealing |
| Mga patlang ng aplikasyon | Naaangkop sa mga koneksyon ng pipe flange sa malayuang mga pipeline ng langis at gas, mga platform sa malayo sa pampang, kagamitang kemikal, mga sistema ng paggamot sa tubig, at mga industriya ng pagkain at parmasyutiko, na inangkop sa mga kumplikadong kondisyon sa pagtatrabaho. |
| Pag-iimpake | Seaworthy package, Plywood Cases o papag o ayon sa pangangailangan ng mga customer |
| Mga Tampok na Produkto | 1, Maliit na batch na minimum na order; |
Pinapasimple ng compact na disenyo nito ang pag-install sa mga masikip na espasyo, habang ang matatag na koneksyon ay lumalaban sa cyclic thermal expansion, na ginagawa itong perpekto para sa mga offshore platform, power generation turbine, at hydraulic system. Sa pamamagitan ng pag-aalis ng mga potensyal na kahinaan at pagbabawas ng mga ikot ng pagpapanatili, binibigyang kapangyarihan ng flange na ito ang mga industriya na unahin ang kaligtasan nang hindi nakompromiso ang kahusayan. Sinusuportahan ng pagsunod sa mga pamantayan ng ASME B16.5 at mahigpit na hindi mapanirang pagsubok, ginagarantiyahan nito ang pagiging maaasahan sa mga operasyong kritikal sa misyon. Para sa mga inhinyero na naghahanap ng isang compact, high-pressure na solusyon na nagsasama ng tibay na may fluid optimization, ang Socket Welding Flange ay ang pinakamahusay na pagpipilian. Pataasin ang iyong imprastraktura ngayon gamit ang aming precision-engineered flanges—kung saan ang inobasyon ay nakakatugon sa katatagan, na nagbibigay-daan sa iyong mga system na gumanap nang may katumpakan, kaligtasan, at hindi natitinag na kumpiyansa. Pumili ng kahusayan, pumili ng tibay, at baguhin ang potensyal ng iyong pipeline.
Mula sa hilaw na materyal hanggang sa huling paghahatid, pinapanatili namin ang mahigpit na kontrol sa bawat yugto upang matiyak ang tibay, pagganap, at pagkakapare-pareho.
01
02
03
04
05
06
07
08
09
10
11
12
