Ang Slip On Flange ay nakatayo bilang isang pundasyon ng mga solusyon sa piping na matipid sa gastos, na pinagsasama ang pagiging simple at pagiging maaasahan upang matugunan ang mga hinihingi ng mga low-pressure system. Dinisenyo para sa walang kahirap-hirap na pagsasama, ang flange na ito ay dumudulas sa ibabaw ng tubo at sinisiguro sa pamamagitan ng fillet weld, pinapa-streamline ang pag-install habang pinapaliit ang mga gastos sa paggawa at materyal—angkop para sa mga proyektong nakatuon sa badyet nang hindi nakompromiso ang pagganap. Tinitiyak ng makinis na sealing surface (FF) nito ang walang-leak na operasyon sa mga non-toxic, low-pressure na application gaya ng mga municipal water network, HVAC system, at general industrial pipelines, habang ang reinforced concave-convex (MF) na mukha ay nagpapaganda ng sealing integrity para sa medyo mas mahirap na kapaligiran.
| Saklaw ng diameter | DN15(1/2")-DN3000(119") |
| Rating ng presyon | PN6-PN16 |
| Sertipiko | PED, AD2000, EAC, ABS, BV, DNV, NORSOK M650, ISO9001 ISO14001, ISO45001, atbp. |
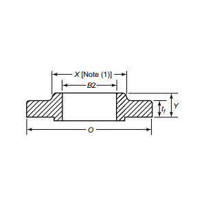
| Panimula ng function | Simpleng welded structure, Cost-effective solution, Easy installation, FF (Flat Face) para sa low-pressure na hindi nakakalason na media, MF (Male-Female) para sa pinahusay na sealing |
| Mga patlang ng aplikasyon | Naaangkop sa mga koneksyon ng pipe flange sa malayuang mga pipeline ng langis at gas, mga platform sa malayo sa pampang, kagamitang kemikal, mga sistema ng paggamot sa tubig, at mga industriya ng pagkain at parmasyutiko, na inangkop sa mga kumplikadong kondisyon sa pagtatrabaho. |
| Pag-iimpake | Seaworthy package, Plywood Cases o papag o ayon sa pangangailangan ng mga customer |
| Mga Tampok na Produkto | 1, Maliit na batch na minimum na order; 2, mabilis na paghahatid; 3, Naka-customize na produksyon; |
Ginawa mula sa matibay na carbon steel o hindi kinakalawang na asero, lumalaban ito sa kaagnasan at mekanikal na stress, na ginagawa itong isang maraming nalalaman na pagpipilian para sa mga industriya mula sa pagproseso ng pagkain hanggang sa paggawa ng kemikal, kung saan ang kalinisan at kadalian ng pagpapanatili ay inuuna. Pinapasimple ng compact, magaan na disenyo ang pag-retrofitting at pag-align, na binabawasan ang downtime sa panahon ng pagpapalawak o pag-aayos ng system. Ginagamit man sa irigasyong pang-agrikultura, mga pasilidad sa parmasyutiko, o marine piping, ang Slip On Flange ay walang putol na umaangkop sa magkakaibang mga layout, na tinitiyak ang pagsunod sa mga pamantayan ng ASME at EN. Sa pamamagitan ng pagbabalanse ng affordability sa matatag na engineering, binibigyang kapangyarihan nito ang mga inhinyero na i-optimize ang mga gastos sa imprastraktura nang hindi isinasakripisyo ang kaligtasan. I-upgrade ang iyong mga pipeline system ngayon gamit ang aming Slip On Flanges—kung saan ang pagiging simple ay nakakatugon sa lakas, na nagbibigay-daan sa iyong bumuo ng mas matalinong, mapanatili ang mas madali, at gumana nang may kumpiyansa. Piliin ang kahusayan, piliin ang pagiging maaasahan, at baguhin ang iyong imprastraktura ng pipeline ngayon.
Mula sa hilaw na materyal hanggang sa huling paghahatid, pinapanatili namin ang mahigpit na kontrol sa bawat yugto upang matiyak ang tibay, pagganap, at pagkakapare-pareho.
01
02
03
04
05
06
07
08
09
10
11
12
