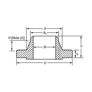
Ang Weld Neck Flange ay naninindigan bilang pinakahuling solusyon para sa mga high-pressure, high-temperatura na kapaligiran, na inengineered upang makapaghatid ng walang kaparis na pagiging maaasahan sa pamamagitan ng matatag na butt-welded na koneksyon nito at precision-manufactured sealing surface. Dinisenyo para sa mga kritikal na aplikasyon, ang flange na ito ay walang putol na sumasama sa mga pipeline sa pamamagitan ng isang full-penetration butt weld, na lumilikha ng monolitikong istraktura na lumalaban sa matinding pressure, thermal fluctuation, at mechanical stress—na ginagawa itong kailangang-kailangan sa mga oil refinery, petrochemical plant, at nuclear power system. Ang tapered neck na disenyo nito ay hindi lamang nagpapatibay sa integridad ng istruktura ngunit pinapaliit din ang konsentrasyon ng stress, na tinitiyak ang pangmatagalang pagganap sa mahirap na mga kondisyon. Ang proseso ng produksyon—na sumasaklaw sa advanced forging, stress-relieving heat treatment, precision finishing, rigorous non-destructive testing (NDT), at anti-corrosion surface treatment—ay ginagarantiyahan ang isang bahagi na lumalampas sa mga pamantayan ng industriya para sa kaligtasan at tibay.
| diameter | DN15(1/2")-DN3500(138") |
| Presyon | 0.25-25MPa |
| Sertipiko | PED, AD2000, EAC, ABS, BV, DNV, NORSOK M650, ISO9001, ISO14001, ISO45001, atbp. |
| Panimula ng function | Nagbibigay ang butt-weld connection ng high-strength sealing para sa high-pressure (HP) at high-temperature (HT) na mga application, na tinitiyak ang leak-proof na performance sa ilalim ng matinding mga kondisyon |
| Mga patlang ng aplikasyon | Naaangkop sa mga koneksyon ng pipe flange sa malayuang mga pipeline ng langis at gas, mga platform sa malayo sa pampang, kagamitang kemikal, mga sistema ng paggamot sa tubig, at mga industriya ng pagkain at parmasyutiko, na inangkop sa mga kumplikadong kondisyon sa pagtatrabaho. |
| Pag-iimpake | Seaworthy package, Plywood Cases o papag o ayon sa pangangailangan ng mga customer |
| Mga Tampok na Produkto | 1, Maliit na batch na minimum na order; |
Mula sa mga subsea pipeline na nagtatagal ng nakakaagnas na tubig-dagat hanggang sa mga steam turbin na tumatakbo sa nakakapasong temperatura, tinitiyak ng Weld Neck Flange ang leak-proof sealing at pagpapatuloy ng pagpapatakbo. Ang mga industriya na nangangailangan ng hindi kompromiso na kalidad, tulad ng mga aerospace fluid system o cryogenic storage, ay umaasa sa kakayahan nitong mapanatili ang integridad sa ilalim ng cyclic loading at malupit na pagkakalantad sa media. Sa pamamagitan ng pagsasama-sama ng napakahusay na materyal na katatagan sa precision engineering, binabawasan ng flange na ito ang mga gastos sa lifecycle sa pamamagitan ng pinaliit na downtime at pagpapanatili. Para sa mga inhinyero na nakatalaga sa pag-iingat sa imprastraktura na may mataas na stake, ang Weld Neck Flange ang tiyak na pagpipilian. Itaas ang performance ng iyong system ngayon gamit ang aming premium na Weld Neck Flanges—kung saan ang cutting-edge na pagmamanupaktura ay nakakatugon sa industrial-grade resilience, na nagbibigay-kapangyarihan sa iyong mga operasyon upang mapaglabanan ang sukdulan ng pressure, temperatura, at oras. Pumili ng kahusayan, pumili ng pagtitiis, at bumuo ng isang hinaharap-patunay na pundasyon para sa iyong mga kritikal na sistema.
Mula sa hilaw na materyal hanggang sa huling paghahatid, pinapanatili namin ang mahigpit na kontrol sa bawat yugto upang matiyak ang tibay, pagganap, at pagkakapare-pareho.
01
02
03
04
05
06
07
08
09
10
11
12
